product
introduce
E3.Series


電子電氣繪圖解決方案
E3.series 電子電路繪圖軟體是一款由電子CAD專家CIM-TEAM開發的系統佈線設計分析軟體, 由電子工程和電纜跳線工具組成,提供電路圖表,跳線和電纜心線設計的全面解決方案。 包括:E3 Schematic、E3 Panel、E3 View、E3 CABLE等共8個模組。 所有E3模組使用相同的Ecad引擎,提供綜合並且普通的選單結構,允許越過所有模組。
在各種製造設備的電器設計中,隨著系統的高度複雜化,會發生很多設計錯誤以及設計變更造成的重複作業。E3.series具有豐富的線纜線束/ 電器控制設計功能,且易於操作,在設計中發揮著巨大作用。另外在圖紙/文檔的製作過程中,由於具有線上驗證連接器等零件是否相符功能/綜合原理圖與線纜圖的整合性/ 各種報表自動生成等功能,使設計者能大幅減少確認的工作量,更能集中經神力專注於設計,同時還能減少零件採購與安裝不必要的錯誤與困擾。

簡單快速高效能的實現設計
E3.series 將一個專案中的所有資料整合在一個檔案中。因此可實現不同圖紙間的整合,確保訊息的一致性。另外針對同一專案可實施多人並行設計,彼此間的資料可自動整合。製作圖紙時,由於有效利用零件資料庫訊息,可自動生成各種報表。線纜線束/ 電器裝置等各種元件都能夠準確,有效率地快速製作。
隨著以飛機、艦船、坦克為代表的大型電氣系統的飛速發展,現代電氣系統日益複雜化、集成化,大量的電氣設備密集於系統平臺上,用於各設備和部件連接的線纜線束所傳送的信號越來越多,頻率越來越高,消耗的功率也越來越大,對線纜線束佈線提出了更高的要求和挑戰。
如何在有限的平臺上進行線纜線束優化佈線?如何對系統佈線後的性能進行分析評估?有效地完成系統線纜線束佈線已是整個平臺系統設計成功與否的關鍵環節,這不僅是佈線設計師須面對的現實問題,更是系統設計師所關心的關鍵問題。
CIM-TEAM E3 Series 孕育而生!
E3.SeriesZUKEN
電氣及控制系統原理圖 E3.schematic
E3.schematic 核心是針對E3.series 所有模組,並提供了電氣工程師一個簡單且容易上手的電氣控制系統解決方案,其中包括電氣原理圖、端子台和PLC階梯圖。它的目標導向架構提供了一個整合和一致性的設計方法,以助於排除錯誤、提高設計品質和縮短設計時程。
E3.series 之ECAD核心引擎是由電氣工程師專為電氣工程師所設計的,其中包括即時的設計規則檢測,在錯誤發生前即時發現並排除,而不是等到錯誤發生後,以及建置在元件資料庫裡的智能裝置元件,它可確保只有正確的裝置元件被使用和在設計時自動選取相應的驅動裝置。
基於Windows的視窗環境:
• 動態連接端子圖,在原理圖上同步更新
• 滑鼠拖放功能
• 大型專案設計管理
• 每個對象類型有256層
• 支持文件崁入,如本文、EXCEL文件
• 信號、本文、交叉參考、符號和裝置的查詢(搜索)功能
• 導向物件數據
• 可自定義設計環境顏色(如連接線的顏色、線纜橫截面、信號類型等)
• 支持用戶自定義邊界型式
• 支援信號和元件交互參考
• 各種製圖標準,DIN、ANSI、JIC、IEC
• 設計檢測規則,如短路、信號的多重指示
• 標準介面如EXF、DXF、DWG
• 利用訂製符號自定義元件
• 雙向COM接口
• 公制和英制單位
• 利用搜索和交換功能可選擇符號與元件的圖標
• 自定義性號屬性(如導線數目)
• 自定義網格與本文的大小、特性和線型
• 可對圖形與選定區域進行讀、寫、物制、黏貼、旋轉、鏡像操作
• 功能強大的元件與電氣符號的調換能力
• 自定義文檔(如裝置清單、連接圖標、端子圖表等)
• 在線接線端子圖
• 可訂製導向目標用戶接口,包跨集成第三方的各種應用
• 動態縮小與放大功能,包括拖放功能
E3.SeriesZUKEN
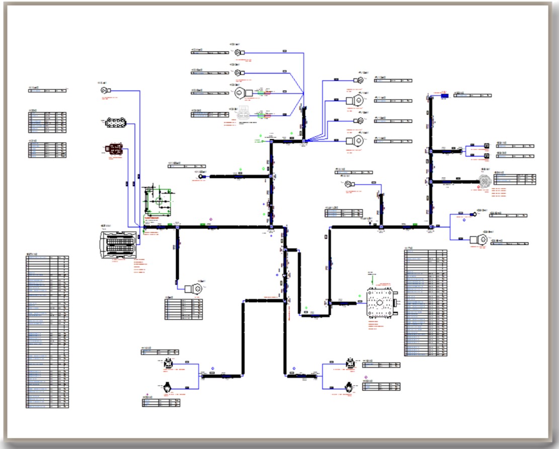
線纜佈線設計解決方案 E3.cable
為大型電子電氣系統電纜佈線設計提供完整的解決方案,並保證設計數據的同步更新,提供與3D結構設計的結合使用。通過E3.cable 可創建邏輯控制的框圖,從而可對整個系統電子和電氣元件進行檢測,各種子模塊的連接可通過使用單線、屏蔽或絞連線和線束來實現。
可生成反應系統佈線結構的網絡表,並進一步通過相關3D軟體實現佈線結構的3D模型建立,可對不同設計頁面的同一連接器根據設計要求實現同步更新;同時提供了自動偵錯功能幫助設計人員高效完成設計任務,並且E3.series 提供了開放的元件庫,包括線纜顏色、直徑、長度、絕緣、材料等屬性的定義。

可幫助設計人員創建基於邏輯控制的佈線框圖,並提供所有電子和電氣元件的預覽
通過原理圖中定義的線纜信息,自動批量生成各線纜的詳細設計圖紙,圖紙中包括拓撲圖格式以及針腳顯示型式,批量 生成的線纜圖中包括焊接表和明細欄,元件指引線與明細欄中的標號對應,根據導線線徑統計自動添加熱縮管、透明管、防波套等元件,根據線纜折彎半徑信息選擇最小折彎半徑
• 通過查看不同頁面上的線束與連接器各種視圖,可提供原理圖、裝配圖、信號列表的完整佈線信息。若其中任何一部分被修改,該修改對象的所有不同視圖都將同步自動更新
• 可實現印刷線路板(PCBs)與底板的線纜連接,此時E3.series 從連接端讀取PCB設計數據並直接將底板原理圖寫回佈線系統中
• 具有與其他3D結構設計的接口功能,可以將相互之間的信息進行導入/導出,將連接關係與材料信息導出到結構設計軟體中,通過結構設計軟體得到線纜的長度信息並能被導入到該軟體中使用
• 提供防出錯功能。E3.series 能自動選擇正確的連接器或連接器類型被修改時,自動替換被連接元件,若在實際中某些元件存在衝突或有高亮區,在線顯示輔助窗口將出現在光標處以提醒出錯
• 在定義了線纜線束的屬性後,如顏色、直徑、屏蔽、絕緣、材料數量和裝配工具等,設計人員可從E3.series 的元件資料庫中選擇預定義的電纜類型
• 詳細的文檔處理功能,包括單個對象的圖形描述,這些圖形可任意旋轉或鏡像
• E3.series 可按使用者要求進行二次開發
E3.SeriesZUKEN
液壓與氣動的解決方案解決方案 E3.fluid
E3.fluid是一個設計和記錄所有流體系統的解決方案。同時它也是一個完整且易於使用的液壓、氣動、冷卻和潤滑之最佳化核心功能的系統解決方案。E3.fluid 可以被用於開發獨立流體原理圖或結合電氣原理圖,以提供一個流體與電氣的混和設計。
獨立的流體設計系統:
• 流體與電氣混和設計
– 電氣與流體間的交互關聯參考
– 能即時預防設計錯誤的圖紙系統(只允許在流體專用的圖紙上進行流體設計
– 綜合生產及材料報表
• 智能裝置元件庫
– 裝置元件使用狀況追蹤
– 包含豐富的電氣符號庫
• 自動電氣連接
• 多種設計規則檢測
• 預先定義子迴路系統以提升設計再使用性
• 自動快速地將連接器分配予軟管
• 防止不正確的軟管管徑

E3.fluidPlus 允許用戶創建多種設備的顯示視圖,如上方兩張迴路圖及液壓圖中所示的閥。利用E3.series 導向目標的功能E3.fluid確保所有文件始終保持正確,無論在哪個圖面進行設變仍可正確執行。
E3.SeriesZUKEN
機櫃面板佈局與走線的解決方案 E3.panel
透過使用在E3.schematic建立的迴路圖中直接得到的邏輯數據和元件庫中得到的物理數據,E3.panel可快速,簡單的實現面板佈局和配線。同時E3.panel具有輔助設計功能以實現面板快速和精確設計。並且透過E3.panel可在面板中圖形化顯示不同元件間的邏輯連接,這可有效幫助設計人員進行面板的優化佈局。

E3.panel包含自動的配線功能,通過使用迴路圖中得到的連接信息,可在面板中自動地實現配線。自動配線功能可決定線纜管道和封閉連接下的最佳佈線路線,當然還包括完成連接的最短路線。同时透過基於物理模型的配線,E3.series將產生一個包含精確配線長度的連接表格。
可以高效、準確地完成機櫃面板佈局和配線:
• 各類設備的邏輯連接關係自動從原理圖和線纜圖中導入,無需重複定義
• 在E3.series 中可以對設備進行完整的建模,包括對設備添加各類電氣屬性以及簡單模型的3D物理屬性
• 允許用戶直接在panel模組與cable模組中同步更新
• 裝置元件自動搜索匹配的導軌進行佈局
• 自動檢測線纜與設備是否匹配
• E3.series 提供自對佈線功能,同時允許使用者手動進行佈線
• 使用者可指定線纜通過指定的線槽進行佈線,防止信號干擾
• 自動計算線槽的填充度,顯示線纜顏色
• 根據機櫃面板的配線方案,生成線纜接線表,並自動統計線纜長度
• E3.series 可以對機櫃、面板進行實際尺寸標註,自動計算各部件尺寸
• E3.series 可生成*.STEP、*.VRML等格式的3D視圖
• E3.series 提供如Pro/E 、UG、CATIA、Solidworks 等3D設計軟體的接口
• E3.series 可按使用者要求進行二次開發
• 非常方變得Windows圖形化中/英文用戶操作介面
• E3.series 運行在Windows 操作系統,支持Windows 64位元系統
E3.SeriesZUKEN
製作釘板圖解決方案 E3.Formboard
• 以線纜線束式樣圖訊息為基礎製作等大尺寸的釘板圖
• 提供1:1比例的圖面,支持線纜的製作
• 提供線纜的接續,長度訊息並自動調整長度
• 需與E3.cable聯合使用


E3.SeriesZUKEN
圖檔瀏覽 E3.Viewer
E3.viewer 讓你能夠瀏覽與查看E3.series專案項目的原始設計數據。這確保了與製造商、供應商和客戶間數據資料準確的交換,同時提供強大的E3.series功能,如:搜尋、跳躍、設備屬性…等。
具有確認屬性,鍵連等功能的免費視圖工具(E3.viewerPlus)
具有語言,層次的切換顯示功能的擴大版視圖工具(E3.viewerPlus)
可彩色注釋的高級版視圖工具(E3.redliner)
- 支援E3.series原始檔案及提供專用文件瀏覽器
- 顯示已定義的項目結構
- 同一頁面的多種顯示模式
- 顯示元件、符號、連接屬性
- 高亮顯示元件、符號、本文、屬性、線纜、和連接路線
- 顯示網格與標尺
- 顯示所有嵌入式OLE對象
- 通過交叉参考跳到相關頁面和元件
- 強大搜尋功能、動態的”平移”、”縮放”
- 運用相互參照的跳躍功能
- E3.viewer 支援各種語言,包含:英文、德文、法文、義大利文、西班牙文、葡萄牙文和日文
more products更多產品
CADIP Web Viewer
SIMULIA 提供統一分析產品的可擴展套件,允許所有用戶協作並無縫分享模擬資料和經驗證的方法同時不會失去資訊保真度。CAD/CAE 環境與 3DEXPERIENCE 平台的集成,CAE 模型以與 CAD 數據鏈接的形式創建,並且可以根據要打開的對象無縫切換,以提前預測、發現和解決問題,控制成本,縮短整體研發週期。
Draftsight
SIMULIA 提供統一分析產品的可擴展套件,允許所有用戶協作並無縫分享模擬資料和經驗證的方法同時不會失去資訊保真度。CAD/CAE 環境與 3DEXPERIENCE 平台的集成,CAE 模型以與 CAD 數據鏈接的形式創建,並且可以根據要打開的對象無縫切換,以提前預測、發現和解決問題,控制成本,縮短整體研發週期。
CADIP Web Viewer
SIMULIA 提供統一分析產品的可擴展套件,允許所有用戶協作並無縫分享模擬資料和經驗證的方法同時不會失去資訊保真度。CAD/CAE 環境與 3DEXPERIENCE 平台的集成,CAE 模型以與 CAD 數據鏈接的形式創建,並且可以根據要打開的對象無縫切換,以提前預測、發現和解決問題,控制成本,縮短整體研發週期。
Draftsight
SIMULIA 提供統一分析產品的可擴展套件,允許所有用戶協作並無縫分享模擬資料和經驗證的方法同時不會失去資訊保真度。CAD/CAE 環境與 3DEXPERIENCE 平台的集成,CAE 模型以與 CAD 數據鏈接的形式創建,並且可以根據要打開的對象無縫切換,以提前預測、發現和解決問題,控制成本,縮短整體研發週期。


